PV Inverter
Application Overview
Application Overview
Photovoltaic (PV) power generation system is a power generation system that utilizes the photovoltaic cell's photovoltaic effect to directly convert solar radiation energy into electrical energy. It is a kind of clean, safe and renewable energy resource. The photovoltaic power generation process does not pollute the environment or damage the ecology.
Marching Power is committed to providing optimal power solutions for photovoltaic systems with SiC products, IGBT discrete and IGBT module products.
PV Inverter
Application System Diagram
Application System Diagram
PV Inverter
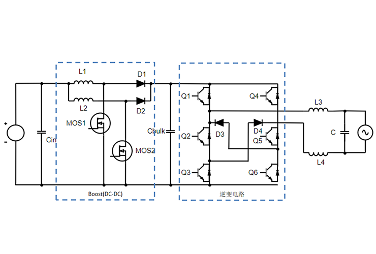
Application Topology Diagram
Application Topology Diagram
PV Inverter
Recommended Products
Recommended Products
IGBT Discretes Product List
| Part Number | VCE(V) | Ic(A)@100℃ | Vcesat(V) @25℃ typ |
Eon(mJ) | Eoff(mJ) | Package | Datasheet |
|---|---|---|---|---|---|---|---|
| MPBL75N120BF | 1200 | 75 | 1.9 | 5.4 | 4.1 | TO-264 | Download |
| MPBQ75N120E | 1200 | 75 | 1.58 | 4.97 | 3.42 | TO-247 plus | Download |
| MPBQ50N120B | 1200 | 50 | 1.8 | 5.5 | 3.21 | TO-247 plus | Download |
| MPBW40N120E | 1200 | 40 | 1.7 | 2.56 | 2.13 | TO-247 | Download |
| MPBW40N120BF | 1200 | 40 | 1.85 | 1.6 | 3.0 | TO-247 | Download |
| MPBW15N120BF | 1200 | 15 | 1.8 | 1.17 | 0.95 | TO-247 | Download |
| MPBW50N65EH | 650 | 50 | 1.54 | 1.14 | 1.26 | TO-247 | Download |
| MPBW50N65E | 650 | 50 | 1.6 | 1.22 | 1.2 | TO-247 | Download |
Silicon-based chip and module series
Third generation semiconductor chip and module series